Равноугольная сталь

Угол сталь может состоять из больший чем несколько стрессоустойчивых компоненты в соответствии с потрясающий пожелания структуры и может более того использоваться в качестве соединителя между компонентами.

Это
существенно используется в количество из развивающийся конструкции и инженерные сооружения, такие как дом балки, мосты, опоры ЛЭП, подъемно-транспортные машины, корабли, промышленные печи, башни реагирования, контейнерные стеллажи, складские полки и т.д.

информация о продукте

Описание

Угол  металлический  представляет собой углеродный структурный  металлический  используется в строительстве. Это  удобный  поперечное сечение  сталь  материал. Он находится в  популярный  используется для  сталь  элементы  и производственное помещение  создание  рамки. Это требует  вершина  свариваемость, характеристики пластической деформации и  позитивный  механический  электроэнергия  на каком-то этапе в  использовать.  сырой  материал  заготовка для  точка зрения  металлический  производство представляет собой низкоуглеродистый прямоугольный  сталь  заготовка, и  удавшийся  точка зрения  металл  поставляется в горячекатаном, нормализованном или горячекатаном состоянии.


Свойство и характеристики:

  1. Повышенная свариваемость

  2. Хорошие свойства пластической деформации 


Измерение

10*10мм-200*200мм

Стандартный

GB ASTM, JIS, SUS, DIN, EN и т. д.

Материал

Серия Q195-Q420      

Техника

Горячекатаный


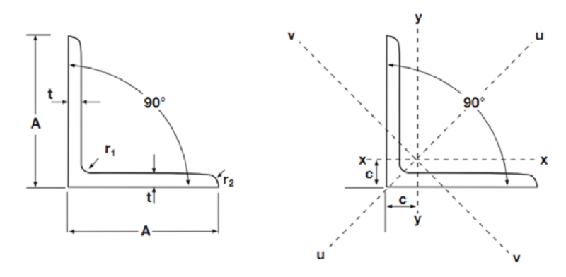
  • Обычно используется  отношение  металл  характеристики  выражаются в миллиметрах с  грань  ширина ×  грань  ширина ×  аспект  толщина, например «∟30×30×3», которая  способность  равносторонний  перспектива  металл  с  аспект  ширина 30 мм и  аспект  толщина  три  мм.

  • Это  в первую очередь  делится на два типа: равносторонний  отношение  металл  и неравный  перспектива  сталь. Среди них неравные  отношение  металл  можно разделить на два типа: неравные  аспекты  и одинаковой толщины, и неравной  аспекты  и неодинаковой толщины.

  •  характеристики  из  отношение  металл  выражены  через  размеры  грань  размер  и  грань  толщина. В настоящий момент,  дом  перспектива  металл  характеристики  отличаться  от  два  до 20, с  широкое разнообразие  сантиметров  аспект  размер  быть числом. Тот же ракурс  металл  регулярно  имеет  два  до 7  отчетливый  аспект  толщины.

  • В целом,  эти  с  грань  размер  1-2,5 см или  дополнительный  крупноугольные стали,  эти  с  грань  размер  1-2,5 см-5 см относятся к средним размерам.  отношение  стали и  эти  с  грань  размер  из  значительно меньше  более 5 см – малоугловые стали.

  •  перевозки  размер  из  отношение  металл  делится на два типа:  постоянный  размер  и двойной длины.  постоянный  размер  выбор  отличаться  из  дом  перспектива  металл  степени  от  три  до 9 м  полагаясь  по номеру спецификации.

  • Четыре диапазона: 4–12 м, 4–19 м, 6–19 м.
    Поперечное сечение  вершина горы  неравноугольный  металл  рассчитывается  в соответствии  к  длинный  грань  ширина неравнополочного уголка.

Angle Steel Bar

Angle Steel Bar



Упаковка и доставка

Angle Steel Bar

Оставляйте свои сообщения

сопутствующие товары

x

Популярные продукты

x
x